The dielectric insert and radiating elements are recessed into a complete four-sided metal housing. This exclusive design feature protects the dielectric surface from the air stream for increased erosion protection in addition to preventing water intrusion and delamination.
PN19 Series Antenna Specifications
Download the PN19 Series Spec Sheet| Frequency range | 4200 – 4400 MHz |
| VSWR | <2.0:1 4200 – 4400 MHz max <1.8:1 4275 – 4325 MHz max |
| Gain | 10 dBi |
| Impedance | 50 ohms |
| Polarization | Linear |
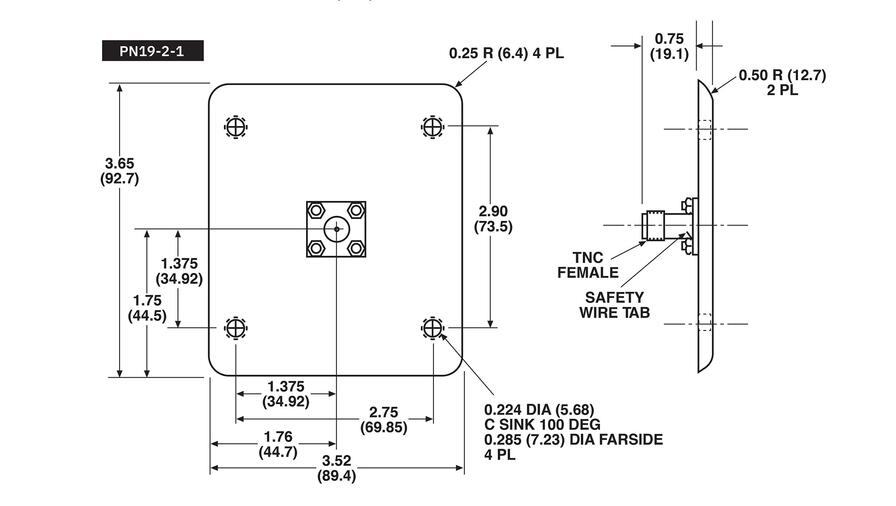
| Connector | TNC female |
| Weight | 5 oz max |
| Temperature | -55°C – +85°C operating |
| Altitude | -1,000 ft to +70,000 ft |
| Lightning protection | DC short |
| Vibration | 10 G's |
| Approvals | FAA TSO C87, ARINC 707/552 DO160C...E1-ABC’XWHDNSXXXXXXXXXX MIL-E-5400 |
PN19 Series Dimensions
Download the PN19 Series Spec SheetContact the Antenna Team
Related Domains & Industries
Solutions that solve our customers' toughest challenges.
view all capabilities